QT400-18铸态
|
抗拉强度屈服强度延伸率硬度
(N/mm2)(N/mm2)(%)(HB) |
低温冲击韧性( |
|
3个试样平均值≥单个值≥ |
|
|
40025018150±30129 |
|
QT400-18
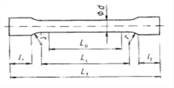
1、抗拉试样
抗拉试样均在单铸试块的剖面线部位或本体上切取。抗拉试样的形状和尺寸如图:

注:L0——原始测量长度(标距);即L0=5d
d——试验的原始直径
Lc——平行段长度Lc>L0
Lt——总长,根据Lc和It
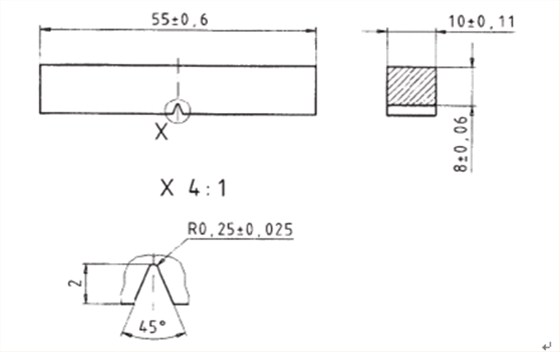
2、冲击试样
久日服务热线:021-57899483
铸铁电机壳常规电机100旁机机座外壳
铸铁电机壳高能效电机100前端盖电机外壳配件
铸铁电机壳防爆电机加长100顶机机座外壳
铸铁电机壳常规电机132顶机机座外壳